
* 구성 : 유수분리기, 자흡식펌프, 셀프 레벨링 스키머 *
처리개념도
- Oil separator의 일반적인 구성은 유수분리기, Self Leveling Skimmer, 흡입펌프, 제어판넬이며, 사용조건에 따라 추가구성된다.
- Self Leveling Skimmer는 수면위에 부상하여 오일 또는 스컴과 함께 표면수를 모으는 역할을 합니다. 게이트 웨어에 의한 유입량 조절로
표면수만 유입합니다.
- 자흡식 펌프(흡입펌프)는 흡입유량 조절과 스키머 내부에 모여진 표면수를 유수분리기 또는 저장조로 이송하는 역할을 합니다.
자흡식쌍원통 펌프(-740mmHg) 사용시 스키머의 특성을 유효하게 활용할 수 있습니다.
- Oil separator(유수분리기)는 스키머를 이용하여 수거한 혼합유를 오일과 물로 분리하는 역할을 합니다.
스키머와 함께 효율적인 시스템을 구성할 수 있습니다.
- Oil separator 제어판넬은 Oil separator, Self Leveling Skimmer와 흡입펌프를 최적의 상태로 유지하는 역할을 합니다.
원리 및 특징
유체의 비중차이를 이용하여 유입된 물과 기름을 분리해서 처리하는 시스템으로 수면센서, 오일감지센서, Gate controller로 구성되어
자동화된 유수분리기입니다.
혼합된 유체가 정류장치(Wave Plate Separator System)를 통과하면서 오일은 유적이 커져, 상부로 부상하고 물은 하부로 배출하게
됩니다. 이러한 물과 기름과의 부력차이와 다수의 물결모양의 칸막이를 수직으로 설치하여 물, 기름, 슬러지의 부력차이를 이용하여 분리
하여 효율을 극대화 하였으며, 또 센서에 의해 내부수위를 조절함으로써 회수유에 물의 혼입을 방지할수 있으며, 공급되는 유량이 변하여도
원활한 작업을 할수 있습니다.
유수분리원리는 유입되는 혼입수(물과 기름이 섞여 있음)에서 기름을 분리해 내기 위한 시스템으로, 기름과 물사이의 부력을 이용하였으며
개방형 형태로 일정시간이 지나도 효율이 변하지 않으며 폐수속의 슬러지 제거가 용이하며, 원유/방카C유/구리스/윤활유/유압유/연료유등 다양한 오일을 분리할수 있는 구조입니다.
유수분리기의 특징
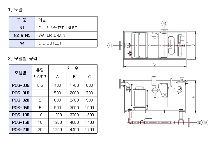
치수및 사양
